CANifier: Formula SAE CAN Node
Jan 2026

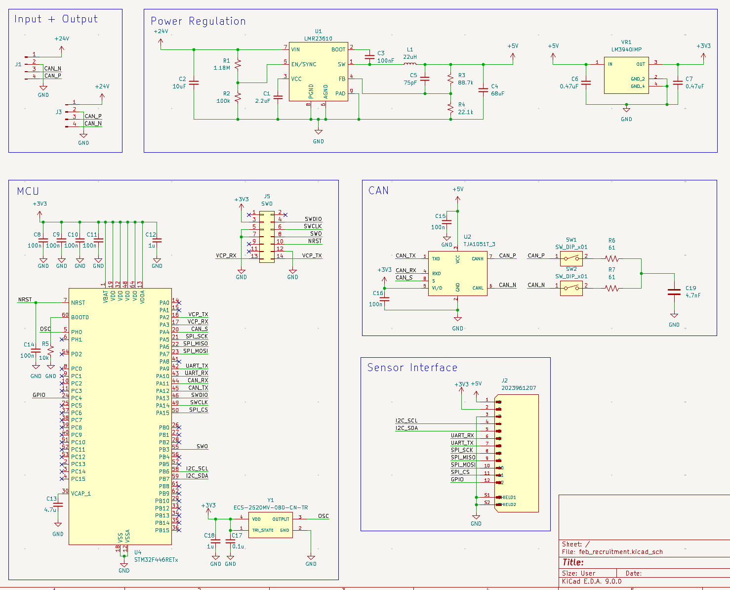
CANifier is a compact, multimodal CAN bus interface node designed to acquire, condition, and transmit sensor data over the car's 24V low-voltage system. The board is built around an STM32 microcontroller paired with an automotive-grade CAN transceiver and onboard power regulation. It supports multiple sensor interfaces including I2C, UART, SPI, GPIO, and a 12-bit ADC channel, enabling integration of almost any sensor through a single versatile PCB. I designed a four-layer PCB CAN node and companion sensor boards (IMU, GPS, and strain gauge), with differential CAN routing, configurable split-termination, and connectors optimized for robust automotive deployment. CANifier handles DAQ and protocol bridging by packaging sensor measurements into prioritized CAN frames for transmission across a shared bus. The modular architecture improves reusability, reduces wiring overhead, and provides a scalable, fault-tolerant interface between distributed sensors.