Bello!: Digital 915MHz RF Walkie Talkie
Nov 2025

Description
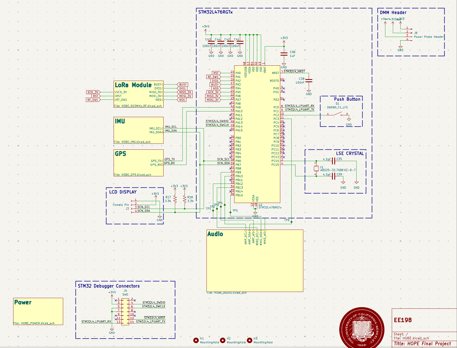
Designed a 3x3 inch, 4-layer STM32-based digital walkie-talkie that transmits synchronized audio, GPS, and sensor data via LoRa at 915 MHz. Implemented a custom data compression algorithm to achieve real-time communication with up to 10 km range on minimal power consumption. The system uses SPI and I2C protocols with packetization featuring CRC error detection, error correction, and synchronized framing to maintain low-latency, robust communication. Partners: Zach Berthillier, Hailey Kim, Alex Wong
Technologies
PCB Design
RF
Digital Design
Gallery

Final assembled walkie-talkie PCB

3D viewer visualization of the walkie-talkie PCB

PCB back side showing component placement

Complete PCB layout design

PCB layout without ground planes for visibility

Circuit schematic diagram